歡迎訪問上海靜禹閥門有限公司官網!
|
電話:021-52735798 郵箱:jingyuvalve@163.com |

| 適用范圍(Pa) | 2x105~1.3x10-5 | |
| 漏氣率(Pa.L/S) | ≤1.3x10-6 | |
| 驅動形式 | 壓縮空氣(4-7bar) | |
| 介質溫度(℃) | 丁腈橡膠-25 ~ +80,氟橡膠-30 ~ +150 | |
| 法蘭標準 | GB6070.3-85 | |
| 安裝位置 | 任意 | |
| 作用形式 |
單作用式:氣關式(B)--失氣時閥位開(FO);氣開式(K)--失氣時閥位關(FC)
雙作用式:氣關式(B)--失氣時閥位保持(FL);氣開式(K)-- 失氣時閥位保持(FL)
|
|
| 控制方式 | 開關型(開關兩位控制) | |
| 調節型(4-20mA信號調節流量大小) | ||
| 執行器型號 | GT、AT、AW系列單雙作用氣動執行器 |
| 供氣壓力 | 0.4~0.7MPa |
| 氣源接口 | G1/4"、G1/8"、G3/8"、G1/2" |
| 環境溫度 | -30~+70℃ |
| 作用形式 | 單作用執行機構、雙作用執行機構 |
| 可選附件 | 定位器、電磁閥、空氣過濾減壓器、保位閥、行程開關、閥位傳送器、手輪機構等 |
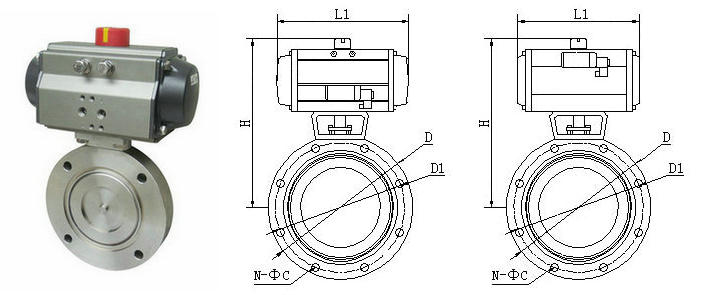
| 公稱通徑(DN) | 50 | 63 | 80 | 100 | 125 | 150 | 200 | 250 | 300 | 400 | |
| 連接尺寸 | A | 26 | 32 | 35 | 50 | 55 | 60 | ||||
| ΦD | 110 | 130 | 145 | 165 | 200 | 225 | 285 | 335 | 425 | 510 | |
| ΦB | 90 | 110 | 125 | 145 | 175 | 200 | 260 | 310 | 395 | 480 | |
| n-ΦC | 4-Φ9 | 8-Φ9 | 4-Φ12 | 12-Φ11 | 12-Φ14 | 16-Φ14 | |||||
氣動真空蝶閥圖片
